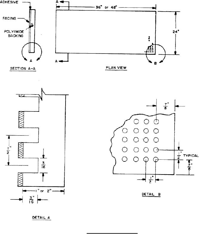
MIL-DTL-24688 Insulation, Thermal And Acoustic Absorptive, Cellular Polyimide FoamThis specification covers thermal and acoustic absorptive cellular polyimide foam insulation for use on bulkheads, overheads, and ventilation ducting. This specification also covers preformed thermal pipe insulation for use on piping operating at temperatures up to 600 degrees F in shipboard applications \(see 6.1\).